Размер шрифта
Цвет фона и шрифта
Изображения
Озвучивание текста
Обычная версия сайта
УРАЛЬСКИЙ ИНЖИНИРИНГОВЫЙ ЦЕНТР
Полный комплекс услуг по разработке и реализации проектов
+7 351 7 753 753
+7 351 7 753 753
E-mail
tec@cheltec.ru
Адрес
г. Челябинск, ул. Рождественского, д. 6 
Адрес для писем: 454010, Россия, г. Челябинск, а/я 1806
Режим работы
Пн. – Пт.: с 9:00 до 18:00
Проектирование
  • Горно-металлургический комплекс
    • Металлургическая отрасль
  • Кузнечно-прессовое производство
    • Вспомогательное оборудование
    • Гидравлические ковочные прессы серии FPCH
    • Запорно-регулирующая и распределительная гидроаппаратура
    • Капитальный ремонт и модернизация прессов и манипуляторов с восстановлением основных базовых узлов и деталей
    • Ковочный манипулятор серии FMCH
    • Комплексные решения для кузнечно-прессового производства
    • Трубная разводка и монтаж
  • Машиностроительный комплекс
    • Капитальный ремонт и модернизация листогибочных машин
    • Компетенции для машиностроительного комплекса
    • Разработка, изготовление и поставка технологической линии сборки
  • Нефтегазовый комплекс
    • Компетенции для нефтегазового комплекса
Каталог продукции
  • Испытательные комплексы
  • Растяжно-обтяжной пресс/ Модернизация растяжно-обтяжного пресса
  • Кольцераскатный стан H160S
  • Линия подготовки анодов из катодов
  • Стенды для сборки-разборки валков прокатных станов
  • Пневматические и гидравлические цилиндры
    • Уплотнения
    • Инновационное хромирование вращающихся деталей
  • Серво и пропорциональные клапаны производства УрИЦ
    • Пропорциональные двухкаскадные распределители серии CH-JP/S
    • Сервоклапаны золотникового типа серии CH-SV, CH-SS
    • Сервоклапаны однокаскадные струйного типа серии CH-JP
  • Гидроаппаратура, системы и решения для управления водой высокого давления
    • Приводы прессов
    • Системы гидросбива окалины
    • Специальные клапаны для металлургии
  • Привод качания кристаллизатора МНЛЗ
  • Фильтрация, станции очистки, заправочные агрегаты
    • Фильтры и фильтроэлементы
    • Заправочные агрегаты
  • Мобильная техника
Услуги
  • Сервис
    • Aутсорсинг или сервисное обслуживание цехов предприятий
  • АСУ ТП
    • Автоматизированные системы управления технологическими процессами
  • Импортозамещение
    • Импортозамещение реально с УрИЦ
  • Монтаж гидрооборудования и трубопроводных систем
    • Монтаж гидрооборудования и трубопроводных систем
  • Проектирование
    • Комплексный инжиниринг и поставка «под ключ» сложных технологических объектов
  • Ремонт гидравлических и пневматических цилиндров
    • Ремонт гидравлических и пневматических цилиндров
  • Технический аудит
    • Технический аудит
  • Хромирование
    • Инновационное хромирование вращающихся деталей
  • Электрооборудование
    • Электрооборудование. Электромонтаж
Испытательные комплексы
Выполненные проекты
  • Испытательные комплексы
  • Кузнечно-прессовое производство
  • Металлургическая отрасль
  • Услуги
О компании
  • О компании
  • История
  • Сотрудники
  • Нам доверяют
  • Отзывы
  • Награды
  • Лицензии и сертификаты
  • Каталоги и презентации
  • Реквизиты
  • Патенты
  • Вакансии
  • Благотворительность
  • Промбезопасность и охрана труда
Пресс-центр
Обучение. Конференции
Контакты
ru
en
ru
УРАЛЬСКИЙ ИНЖИНИРИНГОВЫЙ ЦЕНТР
Полный комплекс услуг по разработке и реализации проектов
  • Отзывы
  • Лицензии
  • Новости
  • Презентация
  • Вопрос-ответ
  • Контакты
  • ...
    +7 351 7 753 753
    +7 351 7 753 753
    E-mail
    tec@cheltec.ru
    Адрес
    г. Челябинск, ул. Рождественского, д. 6 
    Адрес для писем: 454010, Россия, г. Челябинск, а/я 1806
    Режим работы
    Пн. – Пт.: с 9:00 до 18:00
    ru
    en
    ru
    Проектирование
    • Горно-металлургический комплекс
    • Кузнечно-прессовое производство
    • Машиностроительный комплекс
    • Нефтегазовый комплекс
    Каталог продукции
    Импортозамещение
    Импортозамещение
    • Испытательные комплексы
      Испытательные комплексы
    • Растяжно-обтяжной пресс/ Модернизация растяжно-обтяжного пресса
      Растяжно-обтяжной пресс/ Модернизация растяжно-обтяжного пресса
    • Кольцераскатный стан H160S
      Кольцераскатный стан H160S
    • Линия подготовки анодов из катодов
      Линия подготовки анодов из катодов
    • Стенды для сборки-разборки валков прокатных станов
      Стенды для сборки-разборки валков прокатных станов
    • Пневматические и гидравлические цилиндры
      Пневматические и гидравлические цилиндры
    • Серво и пропорциональные клапаны производства УрИЦ
      Серво и пропорциональные клапаны производства УрИЦ
    • Гидроаппаратура, системы и решения для управления водой высокого давления
      Гидроаппаратура, системы и решения для управления водой высокого давления
    • Привод качания кристаллизатора МНЛЗ
      Привод качания кристаллизатора МНЛЗ
    • Фильтрация, станции очистки, заправочные агрегаты
      Фильтрация, станции очистки, заправочные агрегаты
    • Мобильная техника
      Мобильная техника
    Услуги
    • Сервис
      Сервис
    • АСУ ТП
      АСУ ТП
    • Импортозамещение
      Импортозамещение
    • Монтаж гидрооборудования и трубопроводных систем
      Монтаж гидрооборудования и трубопроводных систем
    • Проектирование
      Проектирование
    • Ремонт гидравлических и пневматических цилиндров
      Ремонт гидравлических и пневматических цилиндров
    • Технический аудит
      Технический аудит
    • Хромирование
      Хромирование
    • Электрооборудование
      Электрооборудование
    Испытательные комплексы
    Выполненные проекты
    • Испытательные комплексы
    • Кузнечно-прессовое производство
    • Металлургическая отрасль
    • Услуги
    О компании
    • О компании
    • История
    • Сотрудники
    • Нам доверяют
    • Отзывы
    • Награды
    • Лицензии и сертификаты
    • Каталоги и презентации
    • Реквизиты
    • Патенты
    • Вакансии
    • Благотворительность
    • Промбезопасность и охрана труда
    Пресс-центр
    Обучение. Конференции
    Контакты
      УРАЛЬСКИЙ ИНЖИНИРИНГОВЫЙ ЦЕНТР
      +7 351 7 753 753
      +7 351 7 753 753
      E-mail
      tec@cheltec.ru
      Адрес
      г. Челябинск, ул. Рождественского, д. 6 
      Адрес для писем: 454010, Россия, г. Челябинск, а/я 1806
      Режим работы
      Пн. – Пт.: с 9:00 до 18:00
      УРАЛЬСКИЙ ИНЖИНИРИНГОВЫЙ ЦЕНТР
      Телефоны
      +7 351 7 753 753
      E-mail
      tec@cheltec.ru
      Адрес
      г. Челябинск, ул. Рождественского, д. 6 
      Адрес для писем: 454010, Россия, г. Челябинск, а/я 1806
      Режим работы
      Пн. – Пт.: с 9:00 до 18:00
      УРАЛЬСКИЙ ИНЖИНИРИНГОВЫЙ ЦЕНТР
      • Проектирование
        • Проектирование
        • Горно-металлургический комплекс
          • Горно-металлургический комплекс
          • Металлургическая отрасль
        • Кузнечно-прессовое производство
          • Кузнечно-прессовое производство
          • Вспомогательное оборудование
          • Гидравлические ковочные прессы серии FPCH
          • Запорно-регулирующая и распределительная гидроаппаратура
          • Капитальный ремонт и модернизация прессов и манипуляторов с восстановлением основных базовых узлов и деталей
          • Ковочный манипулятор серии FMCH
          • Комплексные решения для кузнечно-прессового производства
          • Трубная разводка и монтаж
        • Машиностроительный комплекс
          • Машиностроительный комплекс
          • Капитальный ремонт и модернизация листогибочных машин
          • Компетенции для машиностроительного комплекса
          • Разработка, изготовление и поставка технологической линии сборки
        • Нефтегазовый комплекс
          • Нефтегазовый комплекс
          • Компетенции для нефтегазового комплекса
      • Каталог продукции
        • Каталог продукции
        • Испытательные комплексы
        • Растяжно-обтяжной пресс/ Модернизация растяжно-обтяжного пресса
        • Кольцераскатный стан H160S
        • Линия подготовки анодов из катодов
        • Стенды для сборки-разборки валков прокатных станов
        • Пневматические и гидравлические цилиндры
          • Пневматические и гидравлические цилиндры
          • Уплотнения
            • Уплотнения
            • Грязесъемники
            • Направляющие кольца
            • Опорные кольца
            • Уплотнение поршня
            • Уплотнение ротора
            • Уплотнения штока
          • Инновационное хромирование вращающихся деталей
        • Серво и пропорциональные клапаны производства УрИЦ
          • Серво и пропорциональные клапаны производства УрИЦ
          • Пропорциональные двухкаскадные распределители серии CH-JP/S
          • Сервоклапаны золотникового типа серии CH-SV, CH-SS
          • Сервоклапаны однокаскадные струйного типа серии CH-JP
        • Гидроаппаратура, системы и решения для управления водой высокого давления
          • Гидроаппаратура, системы и решения для управления водой высокого давления
          • Приводы прессов
          • Системы гидросбива окалины
            • Системы гидросбива окалины
            • Блоки гидросбива окалины
            • Клапаны гидросбива
          • Специальные клапаны для металлургии
        • Привод качания кристаллизатора МНЛЗ
        • Фильтрация, станции очистки, заправочные агрегаты
          • Фильтрация, станции очистки, заправочные агрегаты
          • Фильтры и фильтроэлементы
            • Фильтры и фильтроэлементы
            • Принадлежности для фильтров гидравлических
            • Фильтроэлементы
            • Фильтры воздушные
            • Фильтры гидравлические напорные
            • Фильтры гидравлические сливные
            • Фильтры приёмные
          • Заправочные агрегаты
        • Мобильная техника
      • Услуги
        • Услуги
        • Сервис
          • Сервис
          • Aутсорсинг или сервисное обслуживание цехов предприятий
        • АСУ ТП
          • АСУ ТП
          • Автоматизированные системы управления технологическими процессами
        • Импортозамещение
          • Импортозамещение
          • Импортозамещение реально с УрИЦ
        • Монтаж гидрооборудования и трубопроводных систем
          • Монтаж гидрооборудования и трубопроводных систем
          • Монтаж гидрооборудования и трубопроводных систем
        • Проектирование
          • Проектирование
          • Комплексный инжиниринг и поставка «под ключ» сложных технологических объектов
        • Ремонт гидравлических и пневматических цилиндров
          • Ремонт гидравлических и пневматических цилиндров
          • Ремонт гидравлических и пневматических цилиндров
        • Технический аудит
          • Технический аудит
          • Технический аудит
        • Хромирование
          • Хромирование
          • Инновационное хромирование вращающихся деталей
        • Электрооборудование
          • Электрооборудование
          • Электрооборудование. Электромонтаж
      • Испытательные комплексы
      • Выполненные проекты
        • Выполненные проекты
        • Испытательные комплексы
        • Кузнечно-прессовое производство
        • Металлургическая отрасль
        • Услуги
      • О компании
        • О компании
        • О компании
        • История
        • Сотрудники
        • Нам доверяют
        • Отзывы
        • Награды
        • Лицензии и сертификаты
        • Каталоги и презентации
        • Реквизиты
        • Патенты
        • Вакансии
        • Благотворительность
        • Промбезопасность и охрана труда
      • Пресс-центр
      • Обучение. Конференции
      • Контакты
      • ru
        • Язык
        • ru
        • en
      • +7 351 7 753 753
        • Телефоны
        • +7 351 7 753 753
      • г. Челябинск, ул. Рождественского, д. 6 
        Адрес для писем: 454010, Россия, г. Челябинск, а/я 1806
      • tec@cheltec.ru
      • Пн. – Пт.: с 9:00 до 18:00

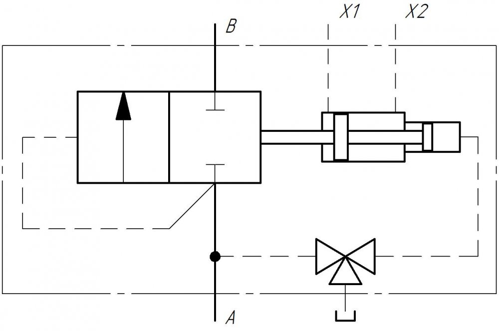
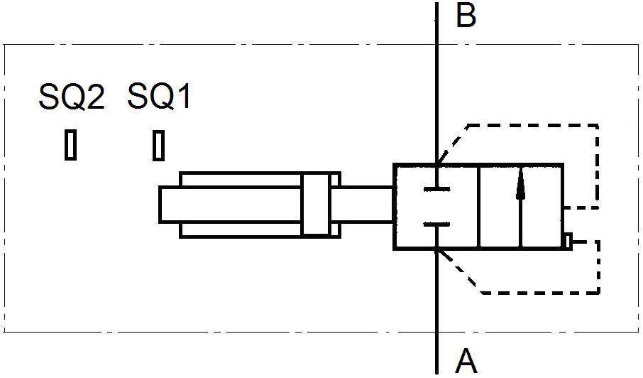
      Системы гидросбива окалины

      12
      Main
      —
      Product Catalog
      —
      Гидроаппаратура, системы и решения для управления водой высокого давления
      —Системы гидросбива окалины
      Блоки гидросбива окалины
      2 товара
      Клапаны гидросбива
      9 товаров
      Фильтр
      По популярности (убывание)
      По наименованию (А-Я)
      По наименованию (Я-А)
      По популярности (возрастание)
      По популярности (убывание)
      По цене (сначала дешёвые)
      По цене (сначала дорогие)
      Фильтр
      Статус
      Показать:
      Выбрано: 0 Показать
      Выбрано: 0
      Ду, мм
      150
      Ном. давление, МПа (бар)
      28 (280)
      Управление
      пневматическое (р=5 атм)
      Возможность применения
      Листопрокатный стан 5000
      Новинка
      Клапан гидросбива (аналог Dr BREIT) КГС 150.28
      Системы гидросбива окалины
      Клапан гидросбива (аналог Dr BREIT) КГС 150.28
      Под заказ
      Ду, мм
      150
      Ном. давление, МПа (бар)
      25 (250)
      Управление
      Пневматическое (Р=6 атм)
      Возможность применения
      Листопрокатный стан 2000
      Новинка
      Блок гидросбива нормально открытый с аккумулятором БГС 150.25.2
      Блоки гидросбива окалины
      Блок гидросбива нормально открытый с аккумулятором БГС 150.25.2
      Под заказ
      Ду, мм
      150
      Ном. давление, МПа (бар)
      25 (250)
      Управление
      Пневматическое (Р=6 атм)
      Возможность применения
      Листопрокатный стан 2000
      Блок гидросбива нормально закрытый с аккумулятором БГС 150.25.1
      Блоки гидросбива окалины
      Блок гидросбива нормально закрытый с аккумулятором БГС 150.25.1
      Ду, мм
      -
      Ном. давление, МПа (бар)
      -
      Управление
      -
      Возможность применения
      Сортовой стан 170, 370 и 450
      Комплектующие для ремонта плунжерных насосов
      Клапаны гидросбива
      Комплектующие для ремонта плунжерных насосов
      Под заказ
      Ду, мм
      50
      Ном. давление, МПа (бар)
      25 (250)
      Управление
      -
      Возможность применения
      Листопрокатный стан 5000
      Клапан обратный КОВ 50.25
      Клапаны гидросбива
      Клапан обратный КОВ 50.25
      Под заказ
      Ду, мм
      150
      Ном. давление, МПа (бар)
      25 (250)
      Управление
      Пневматическое (Р=5 атм)
      Возможность применения
      Листопрокатный стан 5000
      Клапан гидросбива (аналог Dr BREIT) КГС 150.25
      Клапаны гидросбива
      Клапан гидросбива (аналог Dr BREIT) КГС 150.25
      Под заказ
      Ду, мм
      100
      Ном. давление, МПа (бар)
      25 (250)
      Управление
      Пневматическое (Р=5 атм)
      Возможность применения
      Листопрокатный стан 2500
      Новинка
      Клапан гидросбива (аналог НКМЗ) КГC 100.25
      Клапаны гидросбива
      Клапан гидросбива (аналог НКМЗ) КГC 100.25
      Под заказ
      Ду, мм
      100
      Ном. давление, МПа (бар)
      16 (160)
      Управление
      Гидравлическое (вода P=16 МПа)
      Возможность применения
      Листопрокатный стан 4500
      Клапан гидросбива (аналог НКМЗ) КГСС 100.16
      Клапаны гидросбива
      Клапан гидросбива (аналог НКМЗ) КГСС 100.16
      Под заказ
      Ду, мм
      50
      Ном. давление, МПа (бар)
      16 (160)
      Управление
      Гидравлическое (вода P=16 МПа)
      Возможность применения
      Листопрокатный стан 2350
      Клапан гидросбива (аналог НКМЗ) КГСС 50.16
      Клапаны гидросбива
      Клапан гидросбива (аналог НКМЗ) КГСС 50.16
      Под заказ
      Ду, мм
      60
      Ном. давление, МПа (бар)
      32 (320)
      Управление
      Гидравлическое (масло P=16 МПа)
      Возможность применения
      Трубопрокатный стан
      Клапан гидросбива Клапан КГСС 60.32
      Клапаны гидросбива
      Клапан гидросбива Клапан КГСС 60.32
      Под заказ
      1 2
      Компания УрИЦ серийно изготавливает клапаны и блоки гидросбива различного типа: золотниковые и седельные, с гидро- и пневмоприводом. Возможно изготовление и поставка гидроаппаратуры по техническому заданию заказчика.
      Каталог
      • Испытательные комплексы
      • Растяжно-обтяжной пресс/ Модернизация растяжно-обтяжного пресса
      • Кольцераскатный стан H160S
      • Линия подготовки анодов из катодов
      • Стенды для сборки-разборки валков прокатных станов
      • Пневматические и гидравлические цилиндры
        • Уплотнения
          • Грязесъемники
          • Направляющие кольца
          • Опорные кольца
          • Уплотнение поршня
          • Уплотнение ротора
          • Уплотнения штока
        • Инновационное хромирование вращающихся деталей
      • Серво и пропорциональные клапаны производства УрИЦ
        • Пропорциональные двухкаскадные распределители серии CH-JP/S
        • Сервоклапаны золотникового типа серии CH-SV, CH-SS
        • Сервоклапаны однокаскадные струйного типа серии CH-JP
      • Гидроаппаратура, системы и решения для управления водой высокого давления
        • Приводы прессов
        • Системы гидросбива окалины
          • Блоки гидросбива окалины
          • Клапаны гидросбива
        • Специальные клапаны для металлургии
      • Привод качания кристаллизатора МНЛЗ
      • Фильтрация, станции очистки, заправочные агрегаты
        • Фильтры и фильтроэлементы
          • Принадлежности для фильтров гидравлических
          • Фильтроэлементы
          • Фильтры воздушные
          • Фильтры гидравлические напорные
          • Фильтры гидравлические сливные
          • Фильтры приёмные
        • Заправочные агрегаты
      • Мобильная техника
      Качество от профессионалов Качество  от профессионалов
      УрИЦ
      ваш надежный партнер на пути модернизации и развития.
      +7 351 7 753 753
      +7 351 7 753 753
      E-mail
      tec@cheltec.ru
      Адрес
      г. Челябинск, ул. Рождественского, д. 6 
      Адрес для писем: 454010, Россия, г. Челябинск, а/я 1806
      Режим работы
      Пн. – Пт.: с 9:00 до 18:00
      tec@cheltec.ru
      г. Челябинск, ул. Рождественского, д. 6 
      Адрес для писем: 454010, Россия, г. Челябинск, а/я 1806
      Услуги
      Сервис
      АСУ ТП
      Импортозамещение
      Монтаж гидрооборудования и трубопроводных систем
      Проектирование
      Ремонт гидравлических и пневматических цилиндров
      Технический аудит
      Хромирование
      Электрооборудование
      Каталог
      Испытательные комплексы
      Растяжно-обтяжной пресс/ Модернизация растяжно-обтяжного пресса
      Кольцераскатный стан H160S
      Линия подготовки анодов из катодов
      Стенды для сборки-разборки валков прокатных станов
      Пневматические и гидравлические цилиндры
      Серво и пропорциональные клапаны производства УрИЦ
      Гидроаппаратура, системы и решения для управления водой высокого давления
      Привод качания кристаллизатора МНЛЗ
      Фильтрация, станции очистки, заправочные агрегаты
      Мобильная техника
      Компания
      О компании
      История
      Сотрудники
      Нам доверяют
      Отзывы
      Награды
      Лицензии и сертификаты
      Каталоги и презентации
      Реквизиты
      Патенты
      Вакансии
      Благотворительность
      Промбезопасность и охрана труда
      Информация
      Пресс-центр
      .
      © 2026 УРАЛЬСКИЙ ИНЖИНИРИНГОВЫЙ ЦЕНТР
      Политика конфиденциальности