Новинка
Характеристики
Ду, мм
—
150
Ном. давление, МПа (бар)
—
28 (280)
Управление
—
пневматическое (р=5 атм)
Возможность применения
—
Листопрокатный стан 5000
#PROP_TITLE#
—
#PROP_VALUE#
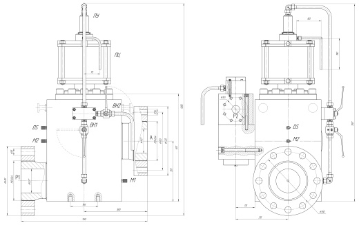
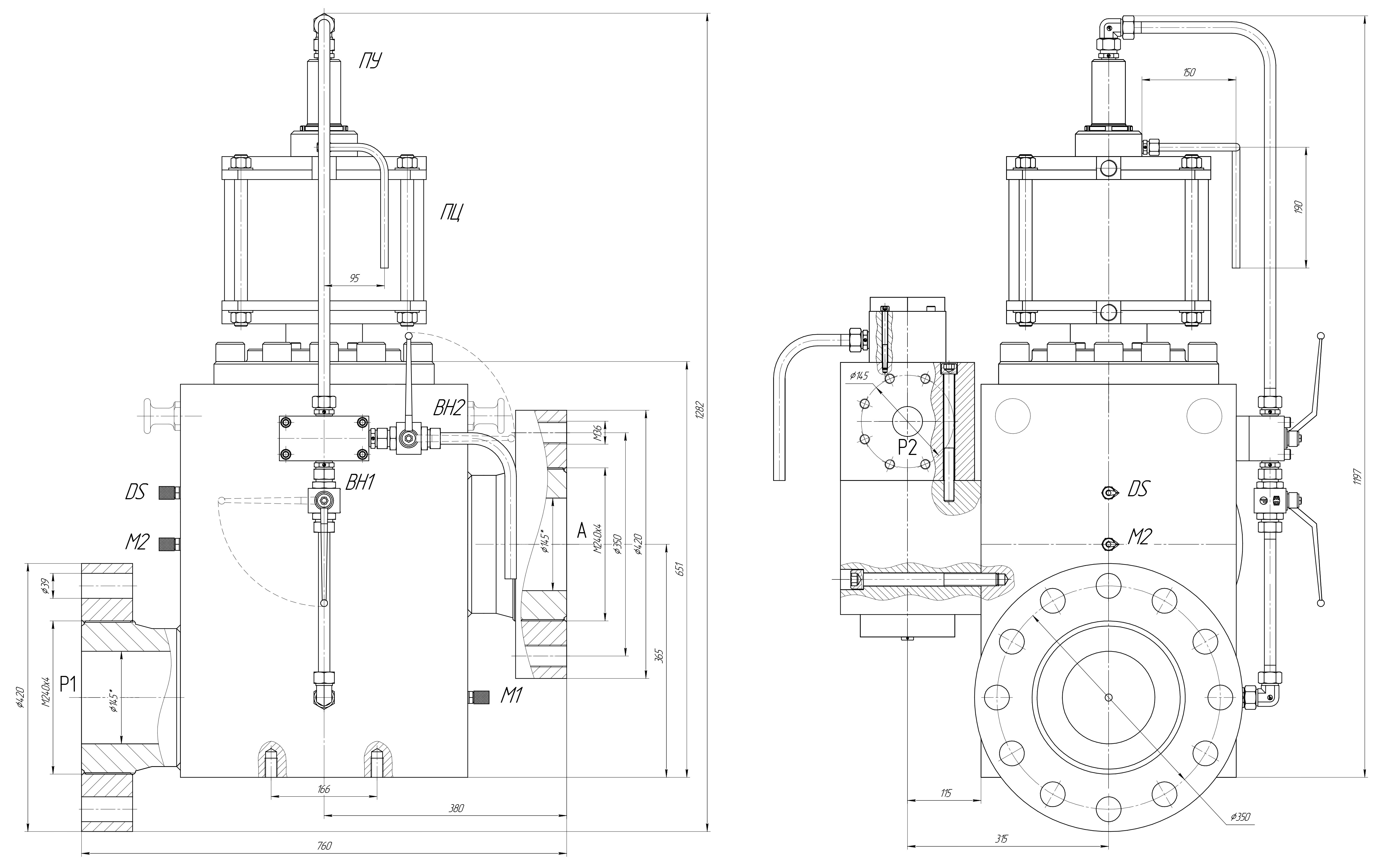
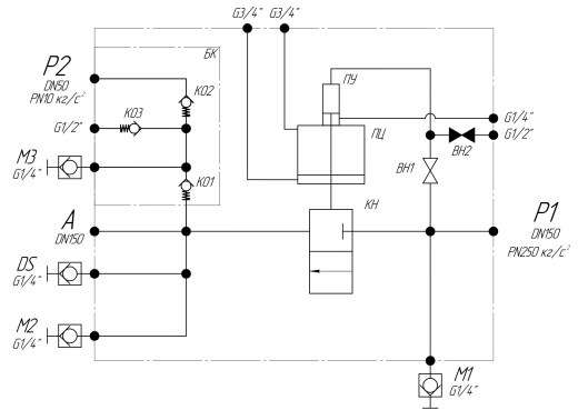
Клапан гидросбива (распределитель) представляет собой комплекс гидравлических и пневматических устройств, установленных на сварной раме и связанных гидравлическими и пневматическими линиями в соответствии со схемой, приведенной выше.
Распределитель системы гидросбива окалины, предназначен для обеспечения подачи воды высокого давления к коллекторам, установленным на клетях стана.
Распределитель системы гидросбива окалины, предназначен для обеспечения подачи воды высокого давления к коллекторам, установленным на клетях стана.
Документы

