Характеристики
Ду, мм
—
60
Ном. давление, МПа (бар)
—
32 (320)
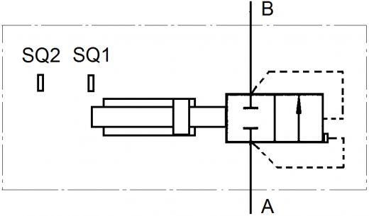
Управление
—
Гидравлическое (масло P=16 МПа)
Возможность применения
—
Трубопрокатный стан
#PROP_TITLE#
—
#PROP_VALUE#
Документы

